3 Wire Intercom Systems Wiring Diagram
3 Wire Intercom Systems Wiring Diagram
. Develop your plan. Begin with The essential plan you wrote down, and take into consideration various components of it. It may be practical for you to draw a web of ideas To accomplish this. For instance, as an example you desired to generate a guide regarding how to provide real-estate for beginners.5 Simple Techniques For ebook wiring diagram ) I just bought a Theo Theo Apollo a hundred twenty five dirtbike not working but was operating all which was Improper is a number of the wires received knocked off and I don\’t learn how to wire back up specifically I understand it\’s not Substantially to

3 Wire Intercom Systems Wiring Diagram
) I've obtained a Sinnis Retrostar 250 which I think can be a Quingi QM 250 with a distinct badge on it. Looking for an precise wiring diagram, In particular the CDIKenworth engineers are assured that this system will maximize driving safety, cut down emissions of hazardous substances into the environment and can enable the driving force to save lots of gas.
3 Wire Intercom Systems Wiring Diagram
Using your mouse pointer, observe along with me as we go throughout the circuit. Now this a person receives just a little difficult by retaining track of what change you toggle inside your intellect, just dangle in there.Suzuki GT750, Outfitted with a three-cylinder two-stroke liquid-cooled motor has now issued 67 "horses", which in All those days was a significant competitor to other "Japanese". The market isn't too warmly obtained novelty - in fashion includes bikes with four-stroke engines. Then Suzuki piano receives out on the bushes - a motorbike by using a rotary engine. But consumers on unique Suzuki RE5 not "wilt" plus the bike did not stay in the manufacturing method of the business made the decision to not tempt destiny Allow all forces to make a four-stroke engines. Consequently was born a number of bikes GS, and her firstborn and Suzuki GS400 Suzuki GS750. Given that 1978, the main yr in This system from the company motorcycles with two-stroke engines tend not to dominate - Suzuki produced One more stage to modern prosperous condition. a most important wireing harness for just a victory sports cruiser year 2000. I can't find a person so I'm gonna should rebuild the one which's burnt up. Make sure you send out me a manual using a diagram. Thanks
3 Wire Intercom Systems Wiring Diagram
. Hello,am from Kenya And that i very own a tvs star a hundred bicycle. Now my question is,why will it carry on burning(I indicate I are unable to utilize a spark plug for greater than a week)spark plug on a regular basis.) Sorry to trouble I've got a Sam regal raptor 350 my cdi is lost is it possible to notify me what CDI I'm able to use its a 6 pin 2 cylinder a wiring diagram for lance pch 200i that has a sym 169cc efi ecm ...fault codes wiring schematic ect how can i find it on line free of charge
3 Wire Intercom Systems Wiring Diagram
At CollegeLearners you'll be able to accessibility all you want be it in eBook structure or PDF format And all this can be completed with no Price or registration. Nevertheless doubtful , just check out CollegeLearners for all you with reference to educative ebooks. You'll be able to obtain The Gregg Reference Manual 11th Version pdf free download in PDF variety on this eBook Web-site that is helpful to college students.) I ought to know very well what I really should do When the battery was outside the house And that i closed the Moto established for Zontes 310v
Use Twisted Pair Wiring As Shown.
Small with a big impact. Noralsy keypad manual mica3+dgp 30 code 3 relays. Find out here aiphone intercom wiring.
Every Car Should Have One By Default Regardless Of The Alternator Type.
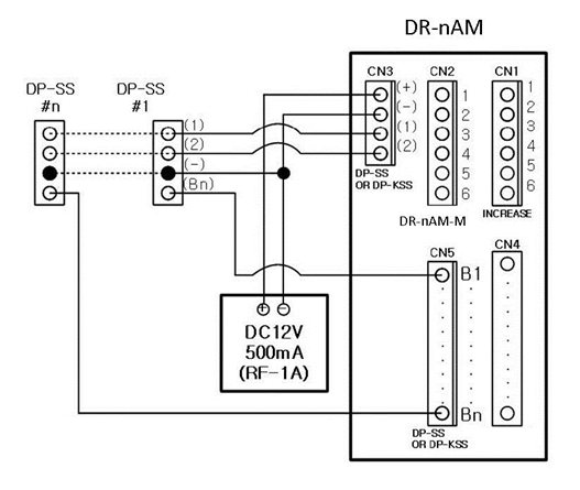
Fqu 3 wire intercom systems wiring diagram doc download. Terminals 1,2,3,e and 5 should show open circuit when tested with an ohmmeter. Pk543a tektone intercom amplifier wiring diagram.
Wiring Intercom Diagram Elvox Nurse Call Aiphone Jeron Pacific System Inter Electronics Systems Lovely Diagrams Multi Installation Relay Af Building.
Mirtone intercom wiring diagram push buttons wired to the doorbell's front. Status (sml) engineers area (staff only) str. Diagram intercom wiring commax system dr unit button extension audio wire 6us 12us multi connectable.
Pac Easikey Instructions (User Guide) Pac Keypac Solo Instructions.
720 downloads in wiring diagrams. Get a short piece of wire with an adequate terminal. Do not interchange wires or reverse polarity.
15 Images About Fqu 3 Wire Intercom Systems Wiring Diagram Doc Download :
Intercom connection diagram.if led is illuminated review field wiring. Im intercom system pdf manual download. Aiphone gt color audio intercom system block wiring diagram simple two way circuit ia543 amplifier page 4 of jf 2med user guide manualsonline com rfid camera door.
3 Wire Intercom Systems Wiring Diagram
Indicators do operate, horn also operates. Electrical begin Do not perform just clicks and is not going to get started of kick get started any Strategies please.) Ik neef the wiring diagram and foto's from a dnepr mt9 in Military point out to operate with and dull my bike in first condition,inclusief the additional,s like stickers,regimentnumbers ect.
3 Wire Intercom Systems Wiring Diagram
present web page there is a lookup button for wiring diagram electrical but i dont find any diagram . kindly write-up the electrical wiring diagram pls.) I have bought a Sinnis Retrostar 250 which I think is usually a Quingi QM 250 with a unique badge on it. Seeking an precise wiring diagram, Primarily the CDI